F72、Q72、61L13、61L14-KW单三相有功功率直角船用仪

2019-10-16 15:56| 发布者: | 查看: |

 
品名:F72、Q72、61L13、61L14-KW单三相有功功率直角船用仪表72*72MM
型号:Q72-KW、F72-KW、61L13-KW、61L14-KW
外型尺寸:72×72mm    开孔尺寸:68×68mm
 
本系列电表为模拟显示直接作用电测量指示仪表,用于各种交直流输配电系统、控制屏及用电设备上测量交直流电流、电压、频率、绝缘电阻等电量和同步指示,以及其他系统的非电量电测指示。本店船(陆)用96×96mm、 72×72mm、方形广角度表及110×110mm、80×80mm方圆型广角度船用表,根据船舶等行业实际使用环境条件及要求,对仪表结构、材料、密封等方面进行设计改进。仪表不但具有先进的电子技术、合理的结构、优良的质量,而且仪表造型美观、重量轻、具有抗机械力和环境气候能力。
 
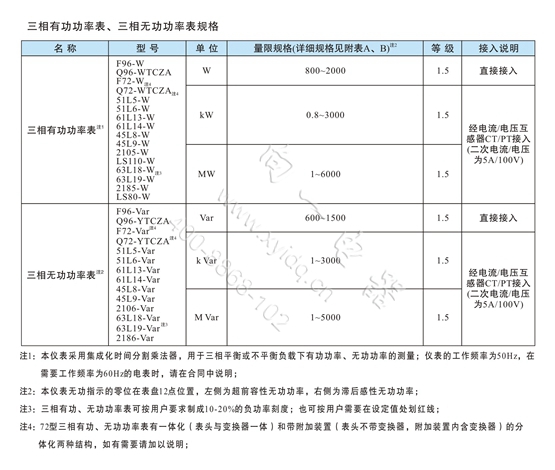
一、主要技术参数
 
 
二、接线图
 
 
三、尺寸图
 
 
<
>
 
QQ在线咨询
售前咨询热线
400-8868-102
售后服务热线
057762719500
返回顶部