直流安装式电流表/指针式电流表/直流电流表 5

2019-10-16 20:48| 发布者: | 查看: |

名称:59C2-A  直流指针电流表
型号:59C2-A
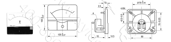
外型尺寸:120x100mm  开孔尺寸90x70mm
 
 

 
59C2型电表是用途广泛的直接作用模拟指示电测量仪表、适用于直流电路的电流测量。安装式电表的优点是可以显示被测量电量的变化趋势:主要用于工矿企业,冶金,化工、电力、成套设备及各种电控装置上。造型简洁明快、美观大方。产品性能符合GB/T7676-1998国家标准要求。
 
一、主要性能指标
 

国家标准
GB/T 7676-98
安装位置
仪表适用垂直安装,允许倾斜±5°;除非另有规定
指针偏转角度
90°
存储温度
-40℃-+70℃
阻尼时间
小于4s
工作环境
温度:-20~+40℃,相对湿度不超过85%,且空气中无灰尘和腐蚀性气体
绝缘强度
能承受频率为50HZ的正弦波交流2kV电压历时1分钟的耐压试验
绝缘电阻
大于20MΩ/DC500V

 
二、测量规格
 

产品名称
型号
单位
测量范围
接入说明
精度
直流电流表
59C2-A
A
5mA~10A
直接接入
1.5
kA
20A~10kA
经直流分流器接入(二次电压75mV)

 
三、仪表接线

 
 
四、仪表尺寸
 
 
五、使用前注意事项
1. 工作环境温度为-20~+40℃;
2. 通电使用前请检查各端子接线正确、牢固;
3. 无标准仪器及非专业人员切勿进行调校;
4. 当输入标称电流超过DC 10A时,需另配直流分流器(二次电压75mV)。
<
>
 
QQ在线咨询
售前咨询热线
400-8868-102
售后服务热线
057762719500
返回顶部